SMH80S-0075-30AAK-3LKH

絕對的300%的功率過載;
真正的IP65防護等級
極低的轉矩脈動、優異的動態響應;
精美的外觀設計。
基本參數
| 驅動器電源電壓中間環節直流電壓UDC | 300 |
| 額定功率PN(W) | 750 |
| 額定轉矩TN(Nm) | 2.39 |
| 額定轉速nN(rpm) | 3000 |
| 額定電流IN(A) | 3.9 |
| 瞬時最大轉矩Tm(Nm) | 7.17 |
| 瞬時最大電流Im(A) | 11.7 |
| 連續靜態轉矩TS(Nm) | 2.63 |
| 連續靜態電流IS(A) | 4.4 |
| 線--線電阻RL(Ω) | 1.4 |
| 線--線電感LL(mH) | 7.5 |
| 電氣時間常數τe(ms) | 5.35 |
| 機械時間常數τm(ms) | 0.75 |
| 反電勢常數Ke(V/krpm) | 40 |
| 轉矩常數Kt(Nm/A) | 0.662 |
| 轉動慣量Jm(Kg·cm2) | 1.36 1.385(帶抱閘) |
| 極對數 | 3 |
| 最大允許du/dt(KV/μs) | 8 |
| 絕緣等級 | F |
| 軸承徑向力F(N) | 335 |
| 軸承軸向力F(N) | 167.5 |
| 重量G(Kg) | 3.3 4(帶抱閘) |
| 機身長L(mm) | 147 197±1.5(帶抱閘) |
| 位置反饋裝置 | 2500ppr光電編碼器(增量式) |
| 冷卻方式 | 全封閉、自冷卻 |
| 防護等級 | IP65, 軸端IP54 |
| 溫 度 | -20℃~40℃(不結冰) |
| 濕 度 | 90%RH以下(無凝露) |
| 環 境 | 遠離腐蝕、可燃性氣體,油滴,灰塵 |
| 海 拔 | 最高海拔4000m,1000m以上,每升高100m,功率下降1.5% |
矩頻曲線

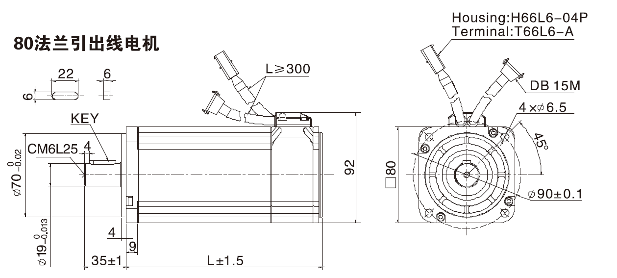
尺寸圖





